

USB to RS-485/422 UT-IB85 Interface Converter by Utek Technology
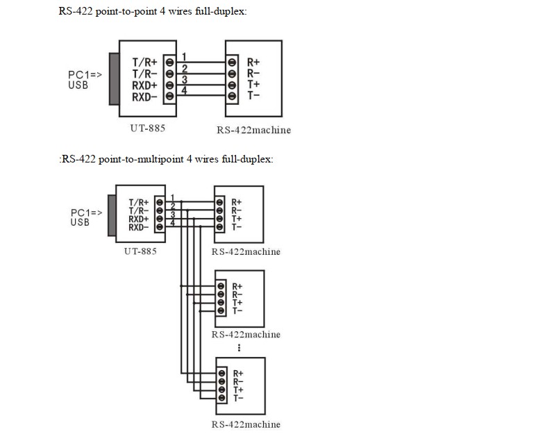
A reliable and stable point-to-point and point-to-multipoint communication can be ensured by UT-IB interface converter. For point-to-multipoint communication, as many as 32 interface facilities of RS-422 or RS-485 standard can be connected to each converter, and a high data transmission rate of 300-921.6KBPS can be achieved. Power indicator light and data traffic indicator light are also available with the converter for malfunction indication. Two conversion communication modes including USB to RS-422 and USB to RS-485 are supported.
- USBV1.1, 1.0, 2.0 Standard, RS-485, RS-422 TIA/EIA standard
- USB Signal: VCC, DATA+, DATA-, GND, FG
- RS-485 Signal: T/R+, T/R-, GND
- RS-422Signal: TXD+, TXD-, RXD+, RXD-, GND
- Working mode: asynchronous working, point-to-point or point-to-multipoint 2 wires (half duplex) 4 wires (full duplex)
Compatible with the Recommended Standards of USB, RS-422 and RS-485, UT-IB interface converter can convert the single-ended USB signal into balance differenced RS-422 or RS-485 signal. Also, there is a rapid transient voltage suppression protector for protection of RS-422/RS-485 interface with advanced TVS (TRANSIENT VOLTAGE SUPPRESSOR) technology adopted. Under normal conditions, the TVS tube is in the state of high resistance. However, when both ends of the TVS tube are hit by a transient high energy, the impedance at both end scan be depressed by the TVS at a very high speed, and after absorbing a high current, the voltage between the two ends is suppressed and kept at a pre-set value, therefore no damage is caused to the electrical components behind by the transient high voltage impact. The protector can effectively restrain lightning or ESD (electro static discharge) with a protection voltage of 600W on each line for lightning surge and surge voltage or transient over voltage possibly caused up by various reasons, and at the same time, a high-speed transmission of RS-422/RS-485 interface is ensured by the tiny capacitance between the poles. RS-422 and RS-485 interfaces a DB9 male connector is to be used for connection. The unique I/O circuit of the internal zero delay auto transceiver contained in the converter controls the data stream direction automatically without any handshaking signal (for example RTS, DTR etc). The converter is plug-and-play without any jumper settings needed for mode shift between full duplex (RS-422) and half duplex (RS-485). The converter is applicable for all the existing communication software and interface hardware.
A reliable and stable point-to-point and point-to-multipoint communication can be ensured by UT-IB interface converter. For point-to-multipoint communication, as many as 32 interface facilities of RS-422 or RS-485 standard can be connected to each converter, and a high data transmission rate of 300-921.6KBPS can be achieved. Power indicator light and data traffic indicator light are also available with the converter for malfunction indication. Two conversion communication modes including USB to RS-422 and USB to RS-485 are supported.
